国产全肉乱妇杂乱视频

一索電器
搜索
搜索
一索電器

021-60455913 50862297

021-58452506

一索電器

產品分類

PRODUCT CATEGORY

全部分類
瀏覽量:
1045

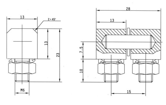
CL102-6

零售價
0.0
市場價
0.0
瀏覽量:
1045
產品編號
689
數量
-
+
庫存:
1
產品描述

材質及表面處理:鍍鋅鋼制鉸鏈;

備注:轉動約為180°

掃二維碼用手機看
未找到相應參數組,請于后臺屬性模板中添加
上一個
下一個